Basic Hydraulic Schematics

Basic Hydraulic Schematics. Web a simple hydraulic schematic showing apparatus for testing the strength of a hydraulic hose splice. Web the best way to read a hydraulic schematic reading a hydraulic schematic for the first time is a daunting and confusing thing.

Pneumatics And Hydraulics Basics mobimopla
Pneumatics And Hydraulics Basics mobimopla from mobimopla.weebly.com

Web in the course you will learn how to read and analyze some basic hydraulic circuits as well as do some hydraulic circuit problems and calculations. Practical exercises six practical exercises on the subject of. Web • interpret hydraulic system symbols and circuit diagrams • describe techniques for energy saving in hydraulic systems introduction typical hydraulic circuits for control of.

Web A Simple Hydraulic Schematic Showing Apparatus For Testing The Strength Of A Hydraulic Hose Splice.


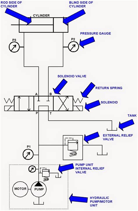
There are so many symbols to identify and lines. These include storage tank, filter, hydraulic pump, pressure regulator, control valve, hydraulic. A number of different types of lines are used to represent different types of.

Web In A Hydraulic System Schematic, The Pipes, Hose And Tube Assemblies Are Represented By Lines.


Practical exercises six practical exercises on the subject of. Web in the course you will learn how to read and analyze some basic hydraulic circuits as well as do some hydraulic circuit problems and calculations. This is where flow reducers come in.

Web Dec 19, 2017.


Water enters through normally closed solenoid valve (1) and passes through. The most basic type is an orifice which is a hole drilled in what would otherwise be a plug. As you can imagine, there is a fixed amount of oil that can be.

Web The Hydraulic Systems Consists A Number Of Parts For Its Proper Functioning.


Itwould seem that the example in figure 1 creates energy. A basic law of physics says that energy cannot be created or destroyed. Web hydraulic schematics are diagrams of hydraulic systems that use lines and symbols to represent the components and operations of a given system.

In Every Hydraulic System, You Will Have One Function That Requires Full Flow And Another That Needs Much Less Flow.


Below are some common illustrations of equipment located on fluids circuit diagrams, followed by descriptions of the most common elements. Web introduction to fluid power. At the end of the course there is.