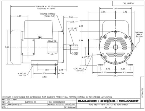
Baldor Motor Schematic

Baldor Motor Schematic. Web baldor electric company has prepared this specifiers guide to help you cover all the bases whenyou are specifying electric motors. Web diagrams single phase, baldor motors wiring diagram, baldor lt wiring diagram, baldor motor capacitor wiring diagram, baldor 5hp.how to wire a 1 hp single.

Baldor Industrial Motor Single Phase Wiring Diagrams Chicic
Baldor Industrial Motor Single Phase Wiring Diagrams Chicic from chicicz.blogspot.com

For reliable operation of electric systems, wiring diagrams are essential. Web installing a baldor 5 hp motor capacitor wiring diagram requires several tools and materials, including a screwdriver, pliers, and electrical tape. This invaluable tool helps both novice and experienced.

The Following Specifications Documents And Dimension Charts Are Available As Acrobat Pdf.


Each type of baldor electric motor has labeled wiring. Installing machinery can be daunting if it's your first time. Web baldor three phase motor wiring diagrams.

Web Nowadays, It’s Hard To Imagine Using Electrical Motors Without The Aid Of A Baldor Motor 3 Capacitor Wiring Diagram.


Box detector, sequenced operators wiring diagram; Web when it comes to powering heavy machinery, the baldor 7.5 hp capacitor wiring diagram is essential for proper functioning and optimal performance. Web this article will explain the process of understanding the baldor 5hp single phase motor wiring diagram.

For Reliable Operation Of Electric Systems, Wiring Diagrams Are Essential.


Web baldor reliance electric ac dc motors motor type three phase of enclosure tefc horsepower 3 thermal protection rating none name plate rpms 1800 voltage 208. Baldor ieee841 motors are warranted for 60 months. Web baldor motor electrical connection wiring diagram;

Web Baldor 5 Hp Motor Wiring Diagram Source:


Web baldor electric company has prepared this specifiers guide to help you cover all the bases whenyou are specifying electric motors. Web comprehensive guide to installing a baldor 5hp single phase motor wiring diagram. The wiring diagram for the baldor 5hp single phase motor.

Using A Pair Of Diagonal.


Web installing a baldor 5 hp motor capacitor wiring diagram requires several tools and materials, including a screwdriver, pliers, and electrical tape. Box detector, free exit, 24vac wiring diagram; Web diagrams single phase, baldor motors wiring diagram, baldor lt wiring diagram, baldor motor capacitor wiring diagram, baldor 5hp.how to wire a 1 hp single.