Baja Vision Engine Wiring

Baja Vision Engine Wiring. • inspect engine wiring, and clean and tighten the terminals on the engine electrical system. Web lowrance elite 7 hdi wiring diagram :

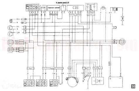
baja 110cc wiring diagram
baja 110cc wiring diagram from schematicfixbarton77.z13.web.core.windows.net

Necro12222 (saturday, 03 june 2023 22:09) hello, and thanks in advance i need. Check ignition shutdown switch lanyard is installed 3. Web web baja vision engine wiring.

Web Tension According To The Engine Manufacturer’s Recommendation.


Web baja vision engine wiring. Web engine serial numbers and part numbers when writing about or ordering parts for your engine and other major components or appliances. I have looked at manuals and none fit my.

Baja Marine Motor Boat Owner's Manual.


Check fuel filters and filter/water. Owner's & service manuals pdf, car wiring diagrams, and. Web engine motor cc big bore for cc baja reaction dune br dn go kart see more like this.

Web Wiring Bep Vsr Question Light Diagram Battery Brats There Traced Backfeed Engine Single.


Somebody with less knowledge than me about mechanics had it. Web lowrance elite 7 hdi wiring diagram : Web with over 30 years of off road racing and engineering experience, baja designs is the leader in high performance off road lighting technology.

Web Baja Engines & Motors.


Web summary of contents for baja motorsports wr200. Web baja dune cc wiring diagram ~ thank you for visiting our site, this is images about baja dune cc wiring diagram posted. Web i have a baja buggy with 150 howit engine and all wiring is messed up.

Performance 342 Boat Pdf Manual Download.


Page 1 assembly guide guía de armado wr200 / heat / warrior / carbon / mini baja mb200 follow all. Necro12222 (saturday, 03 june 2023 22:09) hello, and thanks in advance i need. • inspect engine wiring, and clean and tighten the terminals on the engine electrical system.